 400-661-3026/400-601-0468
400-661-3026/400-601-0468 
			

| 
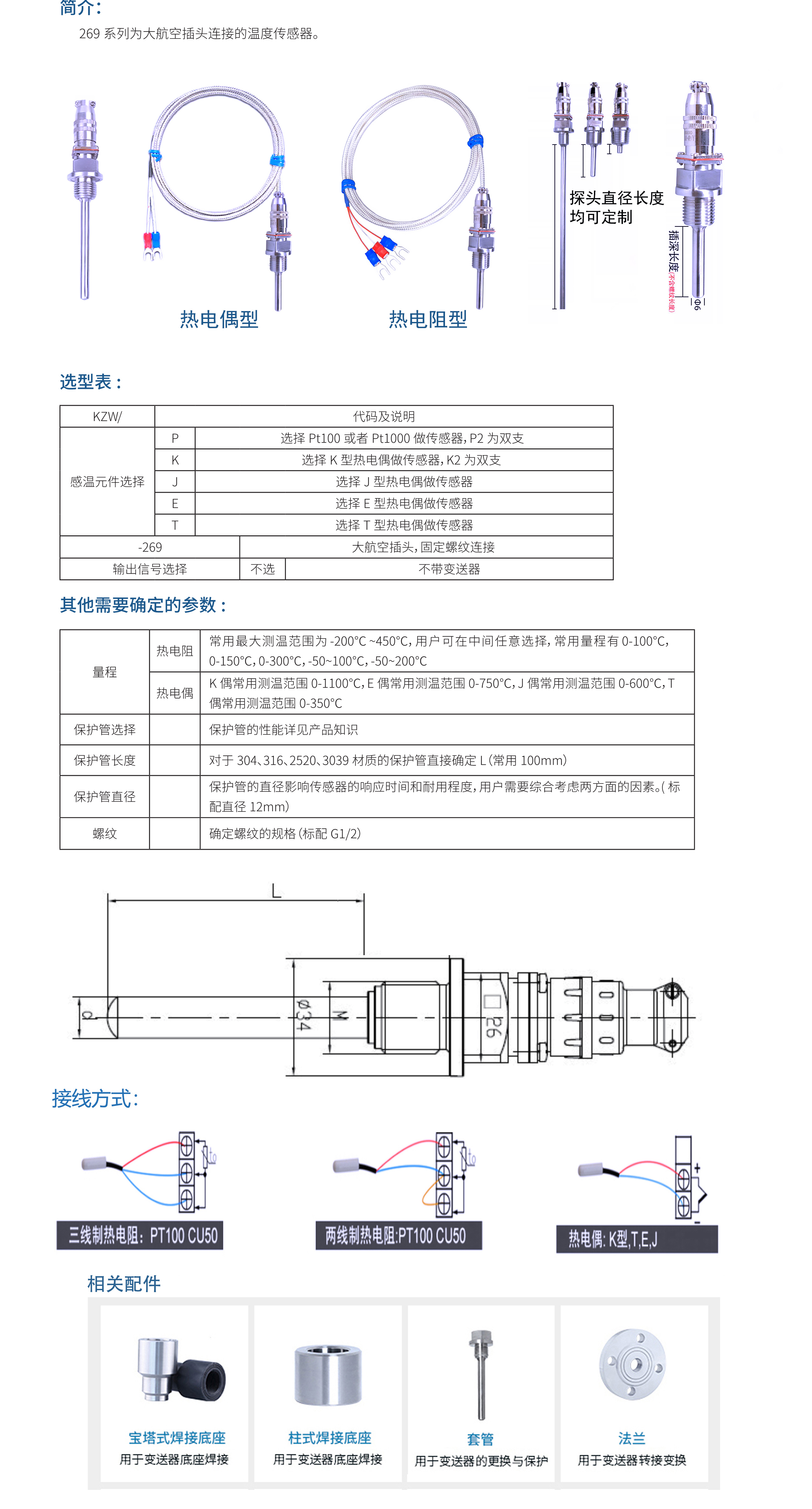
					1.  通用插头 
				通用的航空插头,它不仅给您提供快速插拔,还让您节约了使用空间   | .jpg)  | 
|   | 
					2.  螺纹 
				数控加工的标准螺纹和不锈钢管通过高温熔焊,再次提高了抗压效果,给您解决了断裂的后忧   | 
| 
					3.  航空插头 
				它的精小,使您达到了温度测量的目的,还解决了您陕小空间的忧愁   | .jpg)  | 
| .jpg)  | 
					4.  管径材质 
				温度传感器保护管,经过三道打磨工序,提高外壁的光洁度,确保用户安装时的灵活性   | 
| 
					5. 热电偶丝 
				正规渠道采购,保证热电偶丝材的Π级精度,为您提供准确温度数据,达到控制合理化。   | .jpg)  | 
| KZW/ | 规格代码 | X为插深(含牙),选型时换成具体数值,单位mm说明 | |||||||
| P | Pt100 | ||||||||
| C | Cu50 | ||||||||
| K | K型热电偶 | ||||||||
| 2 | 固定螺纹安装 | ||||||||
| 69- | 大航空插头 | ||||||||
| Dx | X代表保护管直径,单位mm(D4表示直径4mm)标准12mm | ||||||||
| J1 | 304不锈钢 | ||||||||
| J3 | 316 | ||||||||
| Ax | X为插深(含牙),选型时换成具体数值,单位mm | ||||||||
| Bx | X为插深(不含牙),选型时换成具体数值,单位mm | ||||||||
| M5 | M20*1.5 | ||||||||
| M6 | M27*2 | ||||||||
| G4 | G1/2(标准) | ||||||||
| tx/y | T代表温度,x为下限,y为上限,单位℃ | ||||||||


